你有没有想过,那些看似普通的甲醇,竟然能变成清洁的氢气呢?没错,这就是我国近年来备受关注的国产甲醇制氢技术。今天,就让我带你一起走进这个神奇的领域,看看甲醇制氢的视频,感受一下这项技术的魅力吧!
一、甲醇制氢的原理
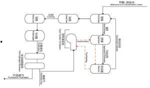
甲醇制氢,顾名思义,就是将甲醇转化为氢气。这个过程主要分为两个步骤:首先,甲醇在催化剂的作用下发生分解反应,生成碳和水;其次,水在高温高压下分解,生成氢气和氧气。简单来说,就是将甲醇中的氢元素提取出来,变成我们需要的氢气。

二、国产甲醇制氢的优势
1. 资源丰富:我国是全球最大的甲醇生产国,拥有丰富的甲醇资源。这使得国产甲醇制氢在原料供应上具有明显优势。

2. 技术成熟:经过多年的研发,我国在甲醇制氢技术上取得了显著成果,已具备自主知识产权。

3. 成本低廉:与国外同类技术相比,国产甲醇制氢技术具有成本优势,有利于降低氢能生产成本。
4. 环保节能:甲醇制氢过程排放的污染物极少,符合我国环保要求。
三、甲醇制氢的应用前景
1. 氢燃料电池汽车:甲醇制氢技术可以为氢燃料电池汽车提供稳定的氢气供应,推动我国新能源汽车产业发展。
2. 氢能发电:甲醇制氢技术可以用于氢能发电,为我国能源结构调整提供有力支持。
3. 化工行业:甲醇制氢技术可以为化工行业提供氢气原料,降低生产成本。
四、甲醇制氢视频赏析
近年来,我国甲醇制氢技术取得了显著成果,许多科研机构和企业纷纷推出甲醇制氢视频,让我们一起来欣赏一下这些精彩瞬间吧!
1. 甲醇制氢原理演示:通过视频,我们可以直观地看到甲醇在催化剂的作用下分解成氢气和碳的过程,感受这项技术的神奇魅力。
2. 国产甲醇制氢装置运行:视频展示了我国自主研发的甲醇制氢装置,从原料进料到氢气产出,整个过程井然有序。
3. 甲醇制氢技术优势展示:通过对比国内外同类技术,视频详细介绍了国产甲醇制氢技术的优势,让观众对这项技术有了更深入的了解。
4. 甲醇制氢应用场景:视频展示了甲醇制氢技术在氢燃料电池汽车、氢能发电等领域的应用,让观众对未来氢能产业的发展充满期待。
五、
国产甲醇制氢技术在我国能源结构调整、环保事业等方面具有重要意义。随着技术的不断进步,相信这项技术将为我国氢能产业的发展注入新的活力。让我们一起期待甲醇制氢技术为我国带来更多惊喜吧!